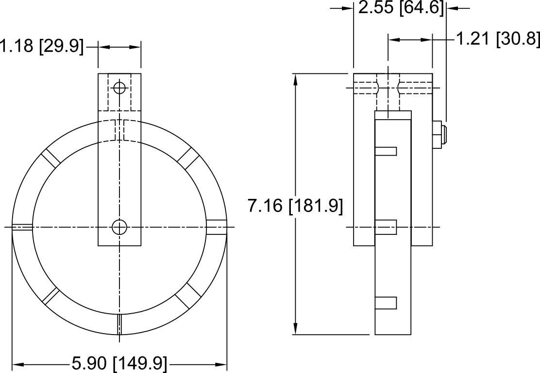
Zum Betrieb einfach das Revolverrad auf die gewünschte Größe drehen. Für einzigartige Musterformen und -größen kann das Rad nach Bedarf bearbeitet werden.
|
|
Spezifikationen
Bestell- Informationen
|






